
Koło dźwigowe z pojedynczym kołnierzem
Projektujemy i produkujemy kute koła do dźwigów od ponad dwudziestu lat, moce produkcyjne 20,000 ton rocznie. Dwa zdjęcia pokazują zalety kutych kół dźwigów.
- Wprowadzenie produktów
Koło dźwigowe z pojedynczym kołnierzem
Opis koła dźwigowego z pojedynczym kołnierzem
Projektujemy i produkujemy kute koła do dźwigów od ponad dwudziestu lat, moce produkcyjne 20,000 ton rocznie. Dwa zdjęcia pokazują zalety kutych kół dźwigów.

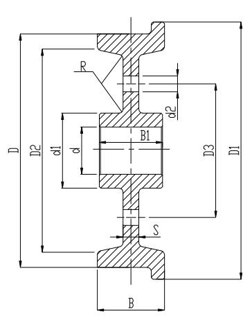
Rysunek koła dźwigu z pojedynczym kołnierzem

Dane koła dźwigowego z pojedynczym kołnierzem
|
Model N |
Całkowity rozmiar (mm |
Rozmiar detalu (mm |
||||||||
|
D |
B |
B1 |
d |
S |
d1 |
d2 |
D2 |
D3 |
R |
|
|
WL-160 |
160 |
85-100 |
80-95 |
45 |
20 |
70 |
|
Mniejsze lub równe 120 |
-- |
5 |
|
55 |
85 |
|||||||||
|
WL-200 |
200 |
85-100 |
80-95 |
60 |
20 |
95 |
Mniejsze lub równe 160 |
|||
|
80 |
125 |
|||||||||
|
WL-250 |
250 |
85-110 |
80-105 |
70 |
25 |
110 |
20 |
Mniejsze lub równe 210 |
175 |
10 |
|
90 |
140 |
|||||||||
|
WL-315 |
315 |
95-155 |
90-140 |
100 |
30 |
160 |
25 |
Mniejsze lub równe 265 |
225 |
|
|
110 |
175 |
|||||||||
|
120 |
190 |
|||||||||
|
WL-400 |
400 |
105-156 |
100-140 |
110 |
35 |
175 |
35 |
Mniejsze lub równe 340 |
270 |
|
|
120 |
190 |
|||||||||
|
130 |
205 |
|||||||||
|
WL-500 |
500 |
105-180 |
100-160 |
120 |
40 |
190 |
40 |
Mniejsze lub równe 430 |
325 |
20 |
|
130 |
205 |
|||||||||
|
140 |
220 |
|||||||||
|
WL-630 |
630 |
120-210 |
115-190 |
140 |
45 |
220 |
50 |
Mniejsze lub równe 560 |
420 |
|
|
160 |
255 |
|||||||||
|
180 |
60 |
285 |
||||||||
|
WL-710 |
710 |
145-210 |
140-210 |
150 |
50 |
240 |
55 |
s630 |
465 |
25 |
|
170 |
270 |
|||||||||
|
190 |
65 |
300 |
||||||||
|
WL-800 |
800 |
145-210 |
140-210 |
160 |
50 |
255 |
60 |
Mniejsze lub równe 710 |
515 |
|
|
180 |
285 |
|||||||||
|
200 |
70 |
320 |
||||||||
|
WL-900 |
900 |
145-220 |
140-220 |
170 |
55 |
270 |
65 |
Mniejsze lub równe 800 |
580 |
30 |
|
190 |
300 |
|||||||||
|
230 |
75 |
365 |
||||||||
Zapraszamy do zakupu koła dźwigowego z pojedynczym kołnierzem w najlepszej cenie u naszych profesjonalnych producentów i dostawców z Chin. W razie potrzeby oferowane są również produkty niestandardowe.
Hot Tags: Koła z pojedynczym kołnierzem Kute koła z pojedynczym kołnierzem Dźwig pomostowy Pojedyncze koła Koła samonastawne o dużej wytrzymałości Dźwig bramowy Koła z pojedynczym kołnierzem Dostosowane koła z pojedynczym kołnierzem
Popularne Tagi: koło dźwigowe z pojedynczym kołnierzem, Chiny producenci, dostawcy, fabryki kół dźwigowych z pojedynczym kołnierzem, Crane Rail Wheels, Wykute koła z dźwigów broszurek, Koło żurawia pojedynczego kołnierza, Precision Futeged Crane Wheel, ciężkie koła dźwigowe, Koło dźwigu o wysokiej wytrzymałości









